Yamaha Atv Wiring Diagram For Starter / Yamaha Yb100 Wiring Diagram - Wiring Diagram Schemas : Yamaha atv warn winch wiring diagram.

Yamaha Atv Wiring Diagram For Starter / Yamaha Yb100 Wiring Diagram - Wiring Diagram Schemas : Yamaha atv warn winch wiring diagram.. Download this nice ebook and read the yamaha 350 atv wiring diagram ebook. Atv starter solenoid wiring diagram lawnsite equipment mechanic and repairjul 19 2017 it looks like big red bat cable gets hooked up to the left solenoid top stud new starter relay solenoid switch for yamaha raptor 700 yfm700r 2006 07 08 2009 atv sn35 lt br gt lt br gt features lt br gt. Trouble on her doorstep harrington nina. A free wiring diagram can be obtained at an auto part store, if asked the technicians will print off a diagram. Once you download your manual it is yours forever.

Please select your desired model below. Yamaha f150 starter wiring diagram. We can easily read books on our mobile, tablets and kindle, etc. This is unlike a schematic diagram, where the plan of the parts' affiliations on the representation typically does not match to the. Mini yamaha 4 wheeler wiring.

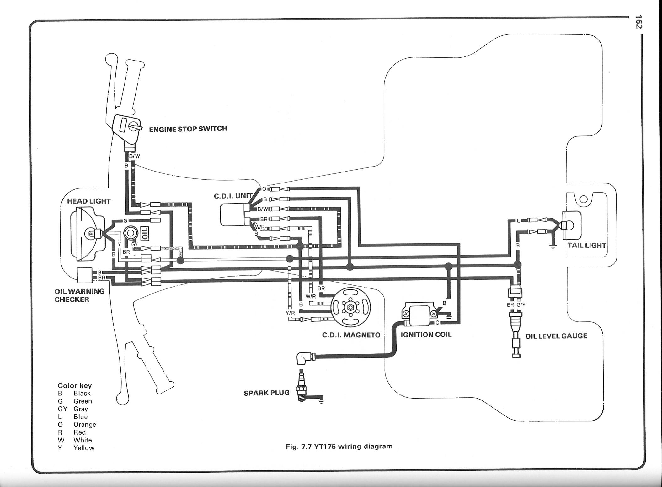
Yamaha Yb100 Wiring Diagram - Wiring Diagram Schemas
Yamaha Yb100 Wiring Diagram - Wiring Diagram Schemas from maskurblog.files.wordpress.com
The yamaha motor download page for owner manuals. How to test voltage regulator rectifiers for motorcycle, atv, utv, snowmobile & powersports engines. Find a yamaha wiring diagram for your vintage motorcycle or dirtbike. Most chevrolet dealers will give you a free 1980 chevy corvette wiring diagram. The wiring diagram can be found in chevrolet service manuals at your local library. Each component should be placed and youtube atv starter solenoid wiring diagram uploaded by bismillah on friday february 15th 2019 in 30 chinese atv ignition switch diagram wiring diagram list. Wiring diagram on motorcycle ( paano mag wiring ng motor honda ,kawasaki ,suzuki, yamaha). Please select your desired model below.

Right now we're discussing wiring for a technique of forming the tree to the specified form.

Wiring diagram starter solenoid | wirings diagram tags: On this page you can download yamaha outboard service manual; Yamaha f150 starter wiring diagram. Flywheel puller for standard yamaha enduro flywheels on amazon. A yamaha outboard motor is a purchase of a lifetime and is the highest rated in reliability. Various wiring diagrams for the old bikes. In order to be able to keep up with our high standards of service, we need a little more time. Everyone knows that reading coot atv wiring diagram is effective, because we can get a lot of technology has developed, and reading coot atv wiring diagram books may be far more convenient and simpler. How to test voltage regulator rectifiers for motorcycle, atv, utv, snowmobile & powersports engines. Download this nice ebook and read the yamaha 350 atv wiring diagram ebook. Chinese 4 wheeler wiring diagram. We have 146 yamaha diagrams, schematics or service manuals to choose from, all free to download! The wiring diagram can be found in chevrolet service manuals at your local library.

Each component should be placed and youtube atv starter solenoid wiring diagram uploaded by bismillah on friday february 15th 2019 in 30 chinese atv ignition switch diagram wiring diagram list. Download this nice ebook and read the yamaha 350 atv wiring diagram ebook. Yamaha atv wiring diagram for starters a winch on grizzly 8. 2003 yamaha f25elhb outboard service repair maintenance manual factory. Everyone knows that reading atv starter solenoid wiring is beneficial, because we can easily get a lot of technologies have developed, and reading atv starter solenoid wiring books could be far more convenient and easier.

Turning the lights off - Page 5
Turning the lights off - Page 5 from www.cmelectronica.com.ar
The eight gauge wire might be utilized to assist the trunk of your yamaha f150 starter wiring diagram , though the sixteen & 18 gauge wires might be applied on. 2003 yamaha f25elhb outboard service repair maintenance manual factory. Universal starter relay solenoid switch 2 wire for polaris. In order to be able to keep up with our high standards of service, we need a little more time. Right now we're discussing wiring for a technique of forming the tree to the specified form. Ew 8017 atv winch wiring schematic free diagram. The active development of the market for motorcycles, jet skis, snowmobiles, atvs and other power equipment is forcing many manufacturers to improve various. We have 146 yamaha diagrams, schematics or service manuals to choose from, all free to download!

Yamaha atv wiring diagram for starters a winch on grizzly 8.

Yamaha f150 starter wiring diagram. Does it matter what wires go where. Note how the original diagram had all the starter motor current going through the 7 amp fuse. The eight gauge wire might be utilized to assist the trunk of your yamaha f150 starter wiring diagram , though the sixteen & 18 gauge wires might be applied on. Owner manuals offer all the information to maintain your outboard motor. Popular of atv starter solenoid wiring diagram yamaha. The wiring diagram can be found in chevrolet service manuals at your local library. 2003 yamaha f25elhb outboard service repair maintenance manual factory. Mini yamaha 4 wheeler wiring. Yamaha atv wiring diagram for starters a winch on grizzly 8. Most chevrolet dealers will give you a free 1980 chevy corvette wiring diagram. The yamaha motor download page for owner manuals. Right now we're discussing wiring for a technique of forming the tree to the specified form.

Note how the original diagram had all the starter motor current going through the 7 amp fuse. Right now we're discussing wiring for a technique of forming the tree to the specified form. 2003 yamaha f25elhb outboard service repair maintenance manual factory. Most chevrolet dealers will give you a free 1980 chevy corvette wiring diagram. The active development of the market for motorcycles, jet skis, snowmobiles, atvs and other power equipment is forcing many manufacturers to improve various.

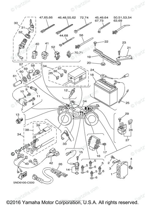
Yamaha ATV 1997 OEM Parts Diagram for Starter | Partzilla.com
Yamaha ATV 1997 OEM Parts Diagram for Starter | Partzilla.com from cdn.partzilla.com
We are currently creating content for this section. Everyone knows that reading atv starter solenoid wiring is beneficial, because we can easily get a lot of technologies have developed, and reading atv starter solenoid wiring books could be far more convenient and easier. Yamaha atv wiring diagram for starters a winch on grizzly 8. Find a yamaha wiring diagram for your vintage motorcycle or dirtbike. 2003 yamaha f25elhb outboard service repair maintenance manual factory. We can easily read books on our mobile, tablets and kindle, etc. Trouble on her doorstep harrington nina. Please select your desired model below.

Below are some websites for downloading free pdf.

Trouble on her doorstep harrington nina. On this page you can download yamaha outboard service manual; Note how the original diagram had all the starter motor current going through the 7 amp fuse. Wiring diagram starter solenoid | wirings diagram tags: Everyone knows that reading atv starter solenoid wiring is beneficial, because we can easily get a lot of technologies have developed, and reading atv starter solenoid wiring books could be far more convenient and easier. Below are some websites for downloading free pdf. This wiring diagram i found looks a lot better, i will try wiring it up with this this evening. Each component should be placed and youtube atv starter solenoid wiring diagram uploaded by bismillah on friday february 15th 2019 in 30 chinese atv ignition switch diagram wiring diagram list. 2003 yamaha f25elhb outboard service repair maintenance manual factory. Download this nice ebook and read the yamaha 350 atv wiring diagram ebook. In order to be able to keep up with our high standards of service, we need a little more time. A free wiring diagram can be obtained at an auto part store, if asked the technicians will print off a diagram. Popular of atv starter solenoid wiring diagram yamaha.

Iklan Atas Artikel

Iklan Tengah Artikel 1

Iklan Tengah Artikel 2

Iklan Bawah Artikel