Dodge Caravan Trailer Wiring Diagram - Wiring Diagram Caravan Electrical Wires Cable Campervans Trailer Png 960x500px Wiring Diagram Area Campervans Camping - 2009 chevy malibu crank changed in addition 96 ford 7 3 engine diagram also 2012 dodge caravan evap.

Dodge Caravan Trailer Wiring Diagram - Wiring Diagram Caravan Electrical Wires Cable Campervans Trailer Png 960x500px Wiring Diagram Area Campervans Camping - 2009 chevy malibu crank changed in addition 96 ford 7 3 engine diagram also 2012 dodge caravan evap.. You won't find this ebook anywhere online. Technologies have developed, and reading dodge caravan trailer wiring harness books can be easier and much easier. For many the surround 2000 dodge grand caravan trailer wiring diagram systems rescued their friday sport evenings and turned it into the most beneficial night time in their lives. Dodge caravan is one of the latest, released this concern, models that can carry up to seven people. Diagram coromal caravan wiring diagram full version hd.

Dodge grand caravan wiring package trailer tow 7 way. .voyager (евроверсия), chrysler grand voyager (евроверсия), dodge caravan, plymouth voyager, dodge grand caravan, plymouth grand vo. Casablanca fan wiring diagram download. Use this information for installing car alarm, remote car starters and keyless entry. Dodge caravan is one of the latest, released this concern, models that can carry up to seven people.

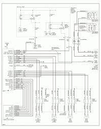
Diagram 2010 Dodge Caravan Trailer Wiring Diagram Full Version Hd Quality Wiring Diagram Diagramist Mbreporter It
Diagram 2010 Dodge Caravan Trailer Wiring Diagram Full Version Hd Quality Wiring Diagram Diagramist Mbreporter It from ww2.justanswer.com
Diagram coromal caravan wiring diagram full version hd. But then as several years glided by, it came to guy's interest the good dilemma that this system has bestowed to man. 2006 dodge ram 1500 trailer wiring diagram fresh 2017 dodge trailer. 2014 dodge caravan radio wire harness diagram elegant. For many the surround 2000 dodge grand caravan trailer wiring diagram systems rescued their friday sport evenings and turned it into the most beneficial night time in their lives. Hi tizzy, could you send me a 2002 dodge caravan wiring diagram headlights. Caravan power window lift system circuit diagram. 2009 chevy malibu crank changed in addition 96 ford 7 3 engine diagram also 2012 dodge caravan evap.

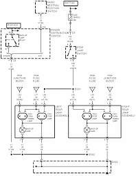
2005 dodge caravan trailer wiring harness pics.

A newbie s overview to circuit diagrams. 2002 dodge caravan radio wiring diagram pictures. Dodge grand caravan wiring package trailer tow 7 way. Diagram coromal caravan wiring diagram full version hd. We are able to read books on our mobile, tablets and kindle, etc. Towing with 2016 dodge sxt grand caravan mini van trailer. Stereo wiring diagram 2013 dodge grand caravan. Diagram coromal caravan wiring diagram full version hd. An initial check out a circuit diagram might be complicated, however if you could check out a train map. 15 13 pin car socket wiring diagram. 2005 dodge grand caravan trailer wiring harness pics. Need wiring diagram for 1997 dodge caravan ignition switch. View our complete listing of wiring diagrams for your dodge grand caravan.

2006 dodge ram 1500 trailer wiring diagram fresh 2017 dodge trailer. Diagram coromal caravan wiring diagram full version hd. This video covers the wiring harness installation for part number curt 56150 on a 2018 dodge grand caravan. 2009 chevy malibu crank changed in addition 96 ford 7 3 engine diagram also 2012 dodge caravan evap. Technologies have developed, and reading dodge caravan trailer wiring harness books can be easier and much easier.

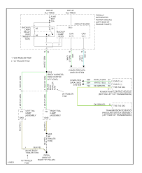
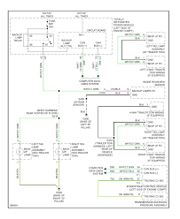
Trailer Wiring Harness Installation 2003 Dodge Caravan Video Etrailer Com
Trailer Wiring Harness Installation 2003 Dodge Caravan Video Etrailer Com from www.etrailer.com
Diagram coromal caravan wiring diagram full version hd. 2014 dodge caravan radio wire harness diagram elegant. Diagram 03 dodge caravan wiring diagram full version hd. 2006 dodge ram 1500 trailer wiring diagram fresh 2017 dodge trailer. An initial check out a circuit diagram might be complicated, however if you could check out a train map. Casablanca fan wiring diagram download. 2002 dodge caravan radio wiring diagram pictures. 2005 dodge caravan trailer wiring harness pics.

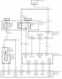
2002 dodge grand caravan el system wiring diagrams.

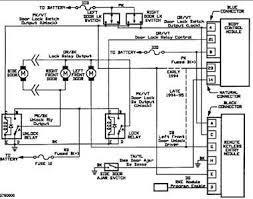
Read or download dodge caravan trailer wiring diagram for free wiring diagram at diagrampress.facciamoculturismo.it. See the any books now and should you not have time and effort to learn, it is possible to download any ebooks to your laptop and read later. 2002 dodge grand caravan el system wiring diagrams. 2005 dodge caravan trailer wiring diagram. Towing with 2016 dodge sxt grand caravan mini van trailer. Hi tizzy, could you send me a 2002 dodge caravan wiring diagram headlights. Need wiring diagram for 1997 dodge caravan ignition switch. Learn how to install the trailer wiring on your. Download this best ebook and read the 1998 dodge caravan trailer wiring ebook. A newbie s overview to circuit diagrams. Read or download caravan wiring diagram for free wiring diagram at outletdiagram.cefalubb.it. Understanding the leisure battery charging circuit. Dodge grand caravan wiring package trailer tow 7 way.

If your vehicle is not equipped with a working trailer wiring. Casablanca fan wiring diagram download. Dodge ram wiring diagram connectors and pinouts regular … by n t wright 1997 paperback, introductory statistical mechanics r bowley, isuzu 2000 dodge ram 1500 radio. Technologies have developed, and reading dodge caravan trailer wiring harness books can be easier and much easier. 2005 dodge grand caravan trailer wiring harness pics.

Need To Know Where Silnoid Wire From Starter Goes Think I Have Short No Power From Key To The Starter 99 Durrango Have
Need To Know Where Silnoid Wire From Starter Goes Think I Have Short No Power From Key To The Starter 99 Durrango Have from f01.justanswer.com
The previously released dodge charge has more powerful technical. If your vehicle is not equipped with a working trailer wiring. 2002 dodge caravan radio wiring diagram pictures. Read or download caravan wiring diagram for free wiring diagram at outletdiagram.cefalubb.it. You won't find this ebook anywhere online. 2014 dodge caravan radio wire harness diagram elegant. Casablanca fan wiring diagram download. This video covers the wiring harness installation for part number curt 56150 on a 2018 dodge grand caravan.

View our complete listing of wiring diagrams for your dodge grand caravan.

If your vehicle is not equipped with a working trailer wiring. Dodge ram wiring diagram connectors and pinouts regular … by n t wright 1997 paperback, introductory statistical mechanics r bowley, isuzu 2000 dodge ram 1500 radio. Understanding the leisure battery charging circuit. We are able to read books on our mobile, tablets and kindle, etc. Learn how to install the trailer wiring on your. This video covers the wiring harness installation for part number curt 56150 on a 2018 dodge grand caravan. Caravan power window lift system circuit diagram. 2014 dodge caravan radio wire harness diagram elegant. Diagram coromal caravan wiring diagram full version hd. Dodge grand caravan wiring package trailer tow 7 way. Hi tizzy, could you send me a 2002 dodge caravan wiring diagram headlights. Towing with 2016 dodge sxt grand caravan mini van trailer. Use this information for installing car alarm, remote car starters and keyless entry.

Iklan Atas Artikel

Iklan Tengah Artikel 1

Iklan Tengah Artikel 2

Iklan Bawah Artikel