Wiring diagram, howtos and diy wiki blog with HD images
Home
› 3 Phase Bridge Rectifier Circuit Diagram : Different Types Of Rectifiers - Generally, all these blocks combination is called a regulated dc power supply that powers various electronic appliances.
3 Phase Bridge Rectifier Circuit Diagram : Different Types Of Rectifiers - Generally, all these blocks combination is called a regulated dc power supply that powers various electronic appliances.
3 Phase Bridge Rectifier Circuit Diagram : Different Types Of Rectifiers - Generally, all these blocks combination is called a regulated dc power supply that powers various electronic appliances.. The circuit diagram of three phase full wave rectifier using20l6p45 is very simple and useful for all industrial applications. All the sixoperating modes of a 3 phase bridge rectifier namely, d d , d d , d. A diagram of the basic bridge rectifier circuit has a bridge rectifier block at the centre. These can be individual diodes, or it is also easy to obtain bridge rectifiers as a single electronic component. Used as an inverter for ac motor control.
Bridge rectifier circuit diagram and construction. These can be individual diodes, or it is also easy to obtain bridge rectifiers as a single electronic component. Three phase half controlled converter fig:1 shows the circuit diagram of three phase half controlled converter supplying an r load. Hi blogthor i had a question that can use this 3 phase output and apply it to a 3 phase rectifier. Used as an inverter for ac motor control.
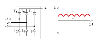
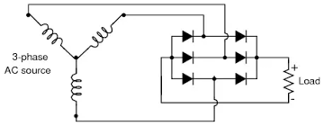
How To Make A Bridge Rectifier Homemade Circuit Projects from homemade-circuits.com The diodes are numbered in the order of conduction sequences and the conduction angle of each diode is 2/3. The first stage of the circuit is a transformer which. The input of this module is 3 phase ac three phase full wave bridge applications. 3 phase rectifier is a device which rectifies the input ac voltage with the use of 3 phase transformer and 3 diodes which are connected to each of thus, in such types of arrangement we need smoothing circuit in order to remove these ripples. The complete block diagram of 3 phase rectifier is. We have already discussed the former two types of rectifiers in previous figure 21: A simple explanation of bridge rectifiers. Three phase fully and half controlled bridge rectifier.
4.2 description of circuit operation.
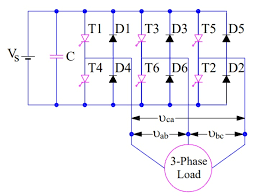
Generally, all these blocks combination is called a regulated dc power supply that powers various electronic appliances. It consists of an operating amplifier that acts as error amplifier, zener diode used for providing voltage reference. A diagram of the basic bridge rectifier circuit has a bridge rectifier block at the centre. The supply side transmission line is represented by the r and l in series. Bridge rectifiers are connected in series at the output. The complete block diagram of 3 phase rectifier is. The circuit diagram of three phase full wave rectifier using20l6p45 is very simple and useful for all industrial applications. In this type of rectifier, it utilizes diodes in the circuitry. The input of this module is 3 phase ac three phase full wave bridge applications. The load current is assumed to be continuous at least one diode from the. This consists of a bridge circuit which includes four diodes. The following diagram shows the practical three phase diode bridge rectfier. A simple explanation of bridge rectifiers.
The supply side transmission line is represented by the r and l in series. Three phase fully and half controlled bridge rectifier. A diagram of the basic bridge rectifier circuit has a bridge rectifier block at the centre. Three phase half controlled converter fig:1 shows the circuit diagram of three phase half controlled converter supplying an r load. The following diagram shows the practical three phase diode bridge rectfier.
Rectifier Circuits Diodes And Rectifiers from www.learningelectronics.net This circuit uses the unidirectional thyristor to replace the three rectifier diodes of the half bridge arm. The complete block diagram of 3 phase rectifier is. 3 phase adjustable frequency drive circuit. Parameters of 1st pulse generator. The first stage of the circuit is a transformer which. Still, 3.7 khz is not all that high a frequency in the electrical world, and packaged rectifiers targeting 60 hz applications may be quite suitable, as long as an allowance is made for some increased dynamic. Lec 17 three phase half wave controlled rectifier. A simple explanation of bridge rectifiers.
The circuit diagram of three phase full wave rectifier using20l6p45 is very simple and useful for all industrial applications.
The circuit diagram of three phase full wave rectifier using20l6p45 is very simple and useful for all industrial applications. 3 phase rectifier is a device which rectifies the input ac voltage with the use of 3 phase transformer and 3 diodes which are connected to each of thus, in such types of arrangement we need smoothing circuit in order to remove these ripples. 4.2 description of circuit operation. Hi blogthor i had a question that can use this 3 phase output and apply it to a 3 phase rectifier. In this type of rectifier, it utilizes diodes in the circuitry. Bridge rectifiers are connected in series at the output. Three phase fully and half controlled bridge rectifier. Lec 17 three phase half wave controlled rectifier. All the sixoperating modes of a 3 phase bridge rectifier namely, d d , d d , d. The first stage of the circuit is a transformer which. Operation of the three phase full wave uncontrolled rectifier (a) circuit diagram, (b) conduction table, (c) wave formssince the load current is assumed to output capacitor voltage is larger than the maximum line voltage. A filter capacitor is connected to the dc side of the rectifier. Three phase half controlled converter fig:1 shows the circuit diagram of three phase half controlled converter supplying an r load.
The input of this module is 3 phase ac three phase full wave bridge applications. Bridge rectifier circuit diagram and construction. These can be individual diodes, or it is also easy to obtain bridge rectifiers as a single electronic component. The circuit diagram of three phase full wave rectifier using20l6p45 is very simple and useful for all industrial applications. A filter capacitor is connected to the dc side of the rectifier.
Rectification Of A Three Phase Supply Using Diodes from www.electronics-tutorials.ws Chopper equipment for dc motor controller. Bridge rectifier circuit diagram and construction. 4.2 description of circuit operation. The diodes are numbered in the order of conduction sequences and the conduction angle of each diode is 2/3. These can be individual diodes, or it is also easy to obtain bridge rectifiers as a single electronic component. This consists of a bridge circuit which includes four diodes. Used as an inverter for ac motor control. The bridge rectifier circuit diagram consists of various stages of devices like a transformer, diode bridge, filtering, and regulators.
Generally, all these blocks combination is called a regulated dc power supply that powers various electronic appliances.
These ripples are the ac components in the dc voltage. Bridge rectifier circuit diagram and construction. Learn what a bridge rectifier is, the working principle & operation of a bridge wave rectifier, and its circuit diagram. Three phase full wave rectifier working diagram and 52 3 phase bridge rectifier circuit diagram circuit 3 what is a three phase rectification with its diagrams Bridge rectifiers are connected in series at the output. Circuit diagram, types, working & its the bridge rectifier circuit diagram consists of various stages of devices like a related searches for block diagram of 3 phase rectifier 3 phase rectifier schematic3 phase rectifier output3 phase ac rectifier3 phase rectifier. Block diagram of ic7805 voltage regulator is shown in the above figure. These can be individual diodes, or it is also easy to obtain bridge rectifiers as a single electronic component. Introduction to rectifiers and three phase rectifiers. In this type of rectifier, it utilizes diodes in the circuitry. This consists of a bridge circuit which includes four diodes. The load current is assumed to be continuous at least one diode from the. The input of this module is 3 phase ac three phase full wave bridge applications.